![]() |
![]() |
![]() |
![]() |
![]() |
![]() |
|||||||||||
Vespa Factory Manuals |
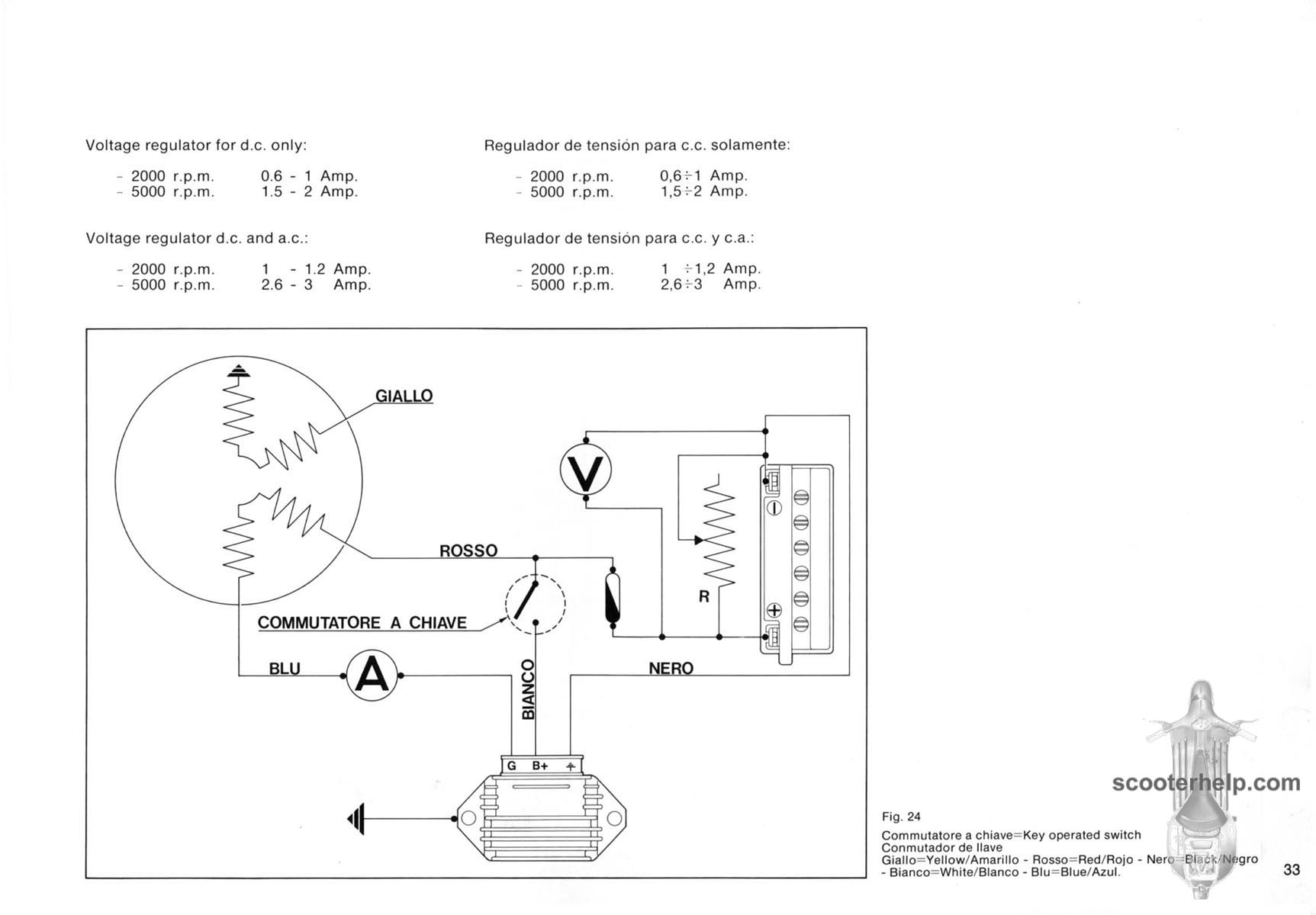
Vespa PK50, PK50S, PK50SS, PK80S, PL100S, PK110S, PK125, & PK125S Factory Repair BookThese scans are taken from the original service book which was distributed to dealers in the 80s. It shows some maintenance information, a quick guide to disassembly, and various pages of tolerances and electrical diagrams. It also give loads of electrical information and testing options for the ignition system, and shows many cool factory tools that were available to repair shops. Click each thumbnail for a 150 dpi image. If you prefer a PDF file of all the pages click here for a 14.9MB file download. |
|||||||||||||||