![]() |
![]() |
![]() |
![]() |
![]() |
![]() |
|||||||||||
Italian Vespa Parts Books |
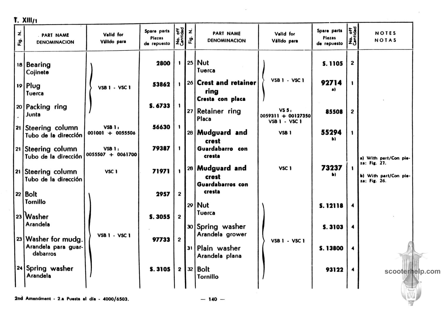
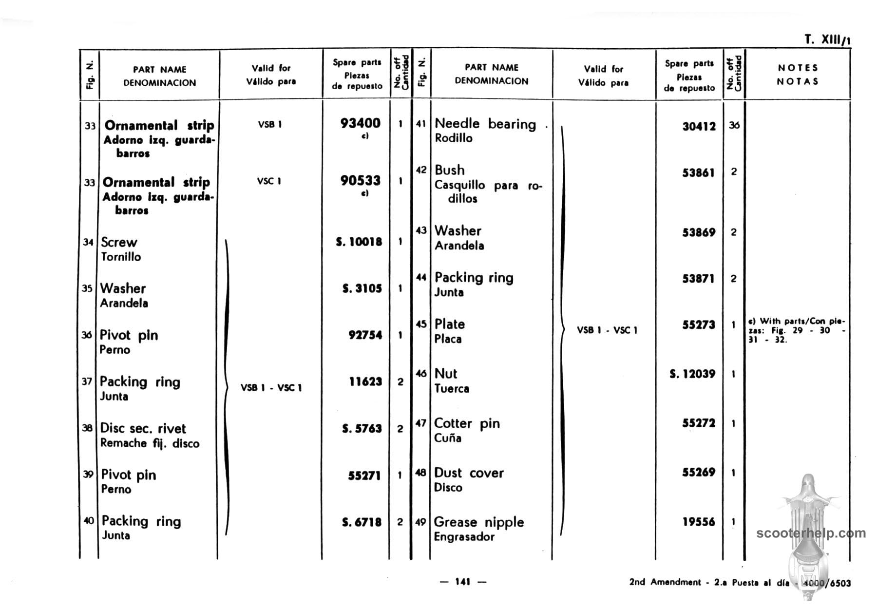
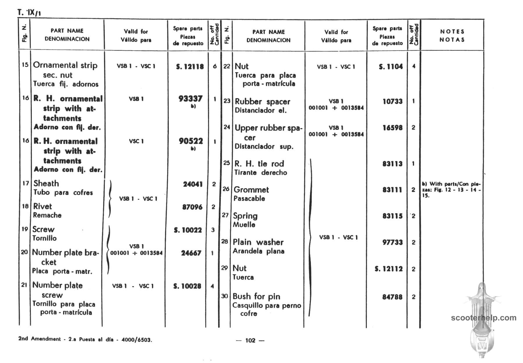
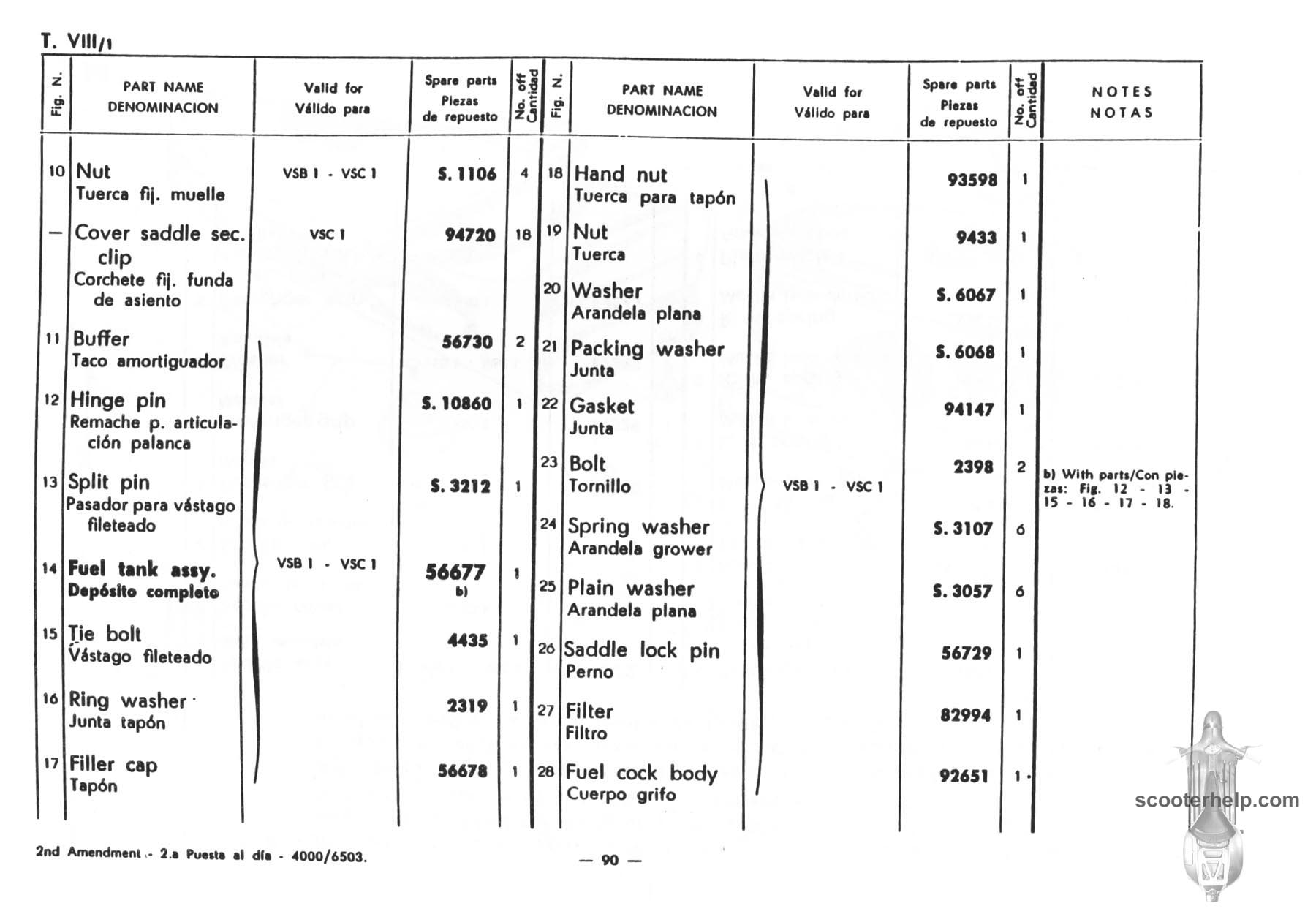
GS160 (VSB1T) & SS180 (VSC1T) Parts BookClick individual pages below for a 9x6 1/4" 200 DPI page. This book is originally from a large book covering the GS150 (VS1T - VS5T), GS160 (VSB1T), and SS180 (VSC1T), but I have broken out only the pages that are associated with the GS160 to make it smaller and not waste your time downloading pages that are not correct for your bike. The initial index pages will show the GS150 and SS180 parts pages but the book contains only blow ups of the GS160 and SS180 because they are very similar bikes. Click individual pages for images or here for a 19.7MB PDF file. |
|||||||||||||||