Electrical Diagram VSX1T
click image to download a .pdf file
USA after 1979 - CDI Ignition with battery, ignition key & indicators
USA before 1979 - CDI ignition with battery, ignition key & indicators
European - CDI ignition with key & indicators no battery
European - Points ignition no key, battery or indicators
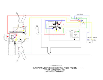
European - CDI ignition with key & no indicators
European - CDI ignition with key, battery & indicators before 1979
European - CDI ignition with key, battery & indicators after 1979